
作者:admin 發布時間:2022-05-18 10:06 瀏覽次數:557
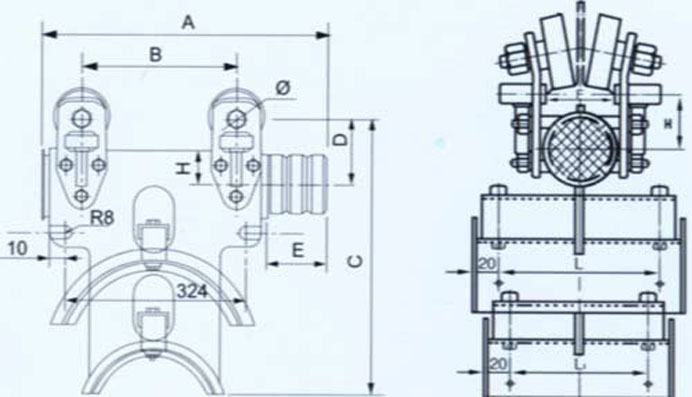
| 型號 | A | B | C | D | E | H | Φ | 重量( kg ) |
| DLC-X | 340 | 180 | 450 | 120 | 60 | 58 | 95 ( 85 ) | 20 |


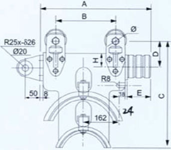
| 型號 | A | B | C | D | E | H | Φ | 重量( kg ) |
| DLC-00 | 555 | 310/305 | 595/510 | 150 | 80 | 88 | 126 | 35 |


| 型號 | A | B | C | D | E | H | Φ | 重量( kg ) |
| DLC-SC | 440 | 240 | 580 | 120 | 60 | 88 | 126( 95 ) | 38 |


| 型號 | A | B | C | D | E | H | Φ | 重量( kg ) |
| DLC-SD | 640 | 310 | 680 | 150 | 80 | 88 | 126 | 88 |