
作者:admin 發布時間:2019-11-21 15:30 瀏覽次數:163

YPB型盤式制動器,以新型的單推桿電力液壓推動器作驅動裝置,主要用于起重、運輸、治金、礦山、港口、建筑等機械設備裝置中。
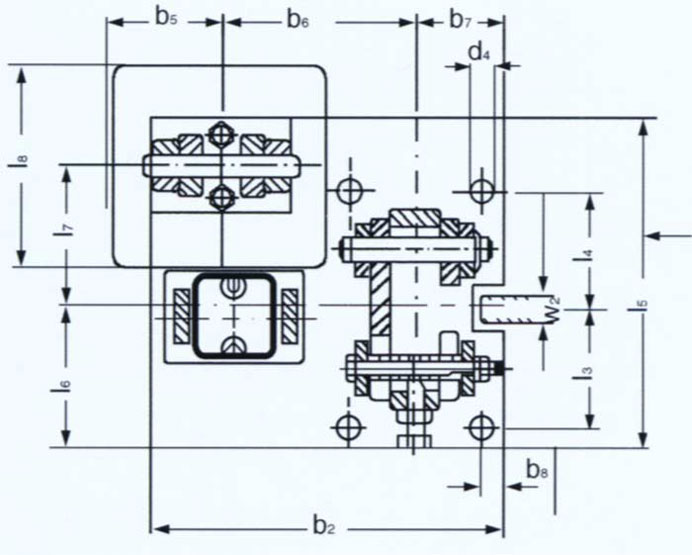
| h | h2 | w1 | d4 | b2 | l5 | h1 | l3 | l4 | b3 | l1 | l2 | b7 | l6 | b6 | l7 | b8 | h3 | s1 |
| 670 | 27 | 70 | 18 | 300 | 300 | 230 | 80 | 180 | 120 | 111 | 190 | 80 | 100 | 150 | 140 | 20 | 14 | 1.25 |
|
制動盤 直徑 |
制動盤相關尺寸 |
推動器型號 | ||||||||||||||||
| ED80/6 | ED50/6 | ED30/6 | ED23/5 | |||||||||||||||
| d1 | b1 | d2 | d3 | b1 | b4 |
|
|
A1 | 最大制動力 kg f-m(nm) μ =0.45 | |||||||||
| 315 | 30 | 235 | 120 | 118 | 58 |
|
|
99 |
|
|
39(380) | 28(270) | ||||||
| 355 | 30 | 275 | 160 | 138 | 78 |
|
|
99 | 117(1150) | 68(670) | 45(440) | 33(320) | ||||||
| 400 | 30 | 320 | 205 | 160 | 100 |
|
|
99 | 138(1350) | 81(790) | 53(520) |
|
||||||
| 450 | 30 | 370 | 205 | 180 | 125 |
|
|
99 | 159(1560) | 93(910) |
|
|
||||||
|
尺寸單位( mm ) |
依推動器型號確定的尺寸 | |||||||||||||||||
| b | 350 | 350 | 385 | 385 | ||||||||||||||
| l | 440 | 440 | 455 | 455 | ||||||||||||||
| b 5 | 120 | 117 | 155 | 155 | ||||||||||||||
| l 8 | 160 | 160 | 190 | 190 | ||||||||||||||
| l 5 | 105 | 110 | 120 | 120 | ||||||||||||||
| h | h 2 | w 1 | d 4 | b 2 | l 5 | h 1 | l 3 | l 4 | b 3 | l 1 | l 2 | b7 | l6 | b6 | l7 | b8 | h3 | s 1 | |
| 820 | 330 | 90 | 22 | 370 | 375 | 280 | 130 | 130 | 140 | 145 | 205 | 90 | 150 | 205 | 172 | 20 | 14 | 1.6 | |
|
制動盤 直徑 |
制動盤相關尺寸 |
推動器型號 | |||||||||||||||||
| ED50/6 | ED80/6 | ED121/6 | ED201/6 | ||||||||||||||||
| d 1 | b 1 | d 2 | d 3 | b 1 | b 4 |
|
|
A 1 | 最大制動力 kg f-m(nm) μ =0.45 | ||||||||||
| 400 | 30 | 300 | 160 | 150 | 80 |
|
|
180 | 82(800) | 142(1395) | 276(2700) |
|
|||||||
| 450 | 30 | 350 | 210 | 175 | 105 |
|
|
180 | 94(920) | 166(1625) | 315(3085) |
|
|||||||
| 500 | 30 | 400 | 260 | 200 | 130 |
|
|
206 | 108(1060) | 189(1855) | 362(3550) |
|
|||||||
| 560 | 30 | 460 | 320 | 230 | 160 |
|
|
206 |
|
218(2135) | 417(4085) | 637(6250) | |||||||
| 630 | 30 | 530 | 390 | 265 | 195 |
|
|
206 |
|
|
480(4705) | 727(7125) | |||||||
| 710 | 30 | 610 | 470 | 305 |
235
|
|
|
206
|
|
|
|
|
|||||||
| 尺寸單位( mm ) | 依推動器型號確定的尺寸 | ||||||||||||||||||
| b | 450 | 450 | 445 | 445 | |||||||||||||||
| l | 485 | 485 | 510 | 510 | |||||||||||||||
| b 5 | 155 | 155 | 148 | 148 | |||||||||||||||
| l 8 | 190 | 190 | 240 | 240 | |||||||||||||||
| l 5 | 190 | 190 | 205 | 205 | |||||||||||||||